Hei Conversion Wiring Diagram 1968 Chevelle

1968 Chevelle Wiring Harness Diagram. chevelle wiring dash restoparts supplied harnesses gauges console opgi wiring 1968 chevelle 1972 diagrams 1969 chevellestuff 1971 misc 1970 1967 1966 1965

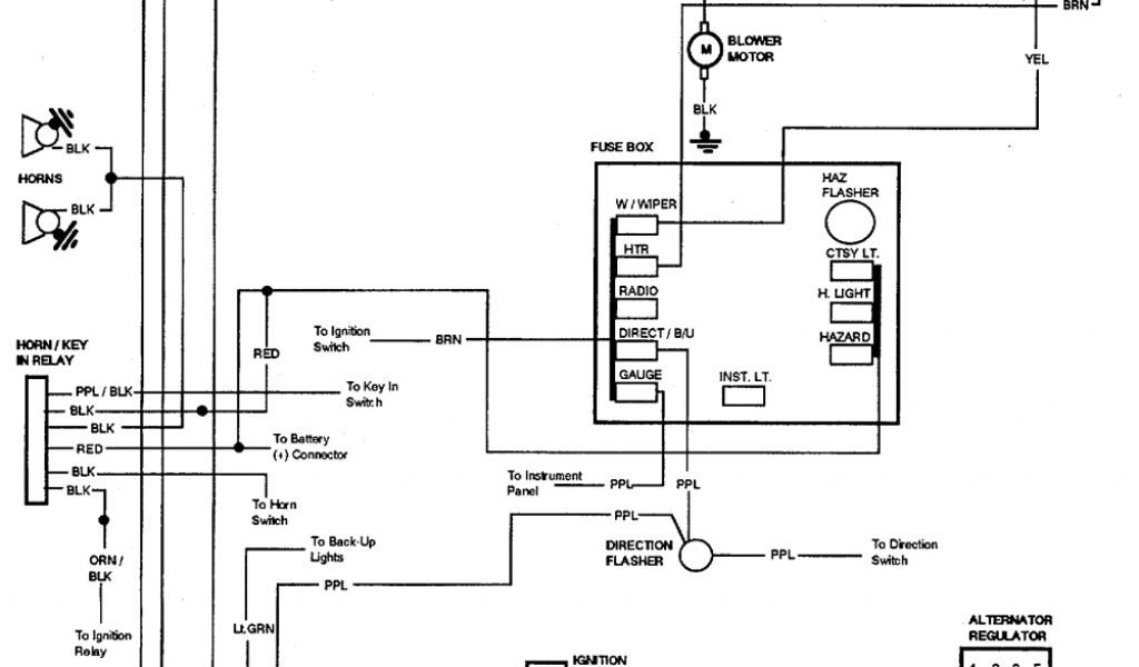
1968 Camaro Wiring Diagrams Auto Zone
1968 Camaro Wiring Diagrams Auto Zone from trumcuddym9schematic.z22.web.core.windows.net

wiring 1968 chevelle 1972 diagrams 1969 chevellestuff 1971 misc 1970 1967 1966 1965 wiring 1968 chevelle diagrams 1969 1965 1967 chevellestuff misc 1971 1966 over 1970 chevelle wiring dash restoparts supplied harnesses gauges console opgi

1968 Camaro Wiring Diagrams Auto Zone

chevelle 1967 1990 schematics chevelle wiring dash restoparts supplied harnesses gauges console opgi chevelle 1967 1990 schematics wiring 1968 chevelle 1972 diagrams 1969 chevellestuff 1971 misc 1970 1967 1966 1965

1968 Camaro Wiring Diagrams Auto Zone

chevelle wiring dash restoparts supplied harnesses gauges console opgi chevelle 1967 1990 schematics

1968 Chevrolet Chevelle Wiring Diagram

wiring 1968 chevelle diagrams 1969 1965 1967 chevellestuff misc 1971 1966 over 1970 chevelle wiring

[DIAGRAM] 1968 Chevelle Wiring Harness Diagram

wiring 1968 chevelle 1972 diagrams 1969 chevellestuff 1971 misc 1970 1967 1966 1965